Wentylatory chemoodporne promieniowe CHEMTEC przeznaczone są do przetłaczania powietrza zawierającego:
Mogą pracować jako wyciągi z laboratoriów, digestoriów, w przemyśle chemicznym, farmaceutycznym, spożywczym, medycznym, elektrycznym, maszynowym, w obiektach użyteczności publicznej.
Obudowa oraz wirnik
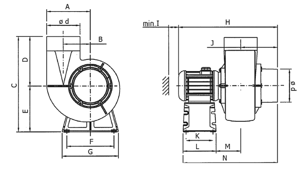
Wentylatory chemoodporne promieniowe CHEMTEC typ C
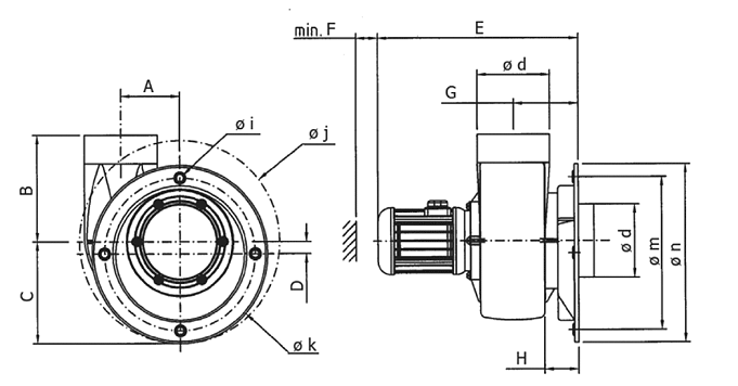
Wentylatory chemoodporne promieniowe CHEMTEC typ F
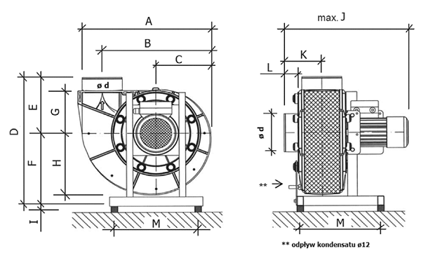
Wentylatory chemoodporne promieniowe CHEMTEC 125-250/80
Silnik
Prędkość obrotowa może być kontrolowana za pomocą przemiennika częstotliwości w zakresie 10-50H (dla modeli: CHEMTEC 2-110+/740T/C/F oraz modeli trójfazowych jednobiegowych CHEMTEC 125-250/280).
Dostępne silniki:
Uwaga. Czujniki temperatury uzwojeń typu PTC/TK nie stanowią samodzielnego zabezpieczenia termicznego. Końcówki czujników należy podłączyć do stosownego przekaźnika ochrony termicznej np. U-EK230E, STDT16.
| Un, Pn, In – parametry nominalne silnika * - poziom ciśnienia akustycznego mierzony z odległości 1 m ** - modele wyposażone w termokontakt, których prędkość obrotowa nie może być regulowana |
| Un, Pn, In – parametry nominalne silnika * - poziom ciśnienia akustycznego mierzony z odległości 1 m ** - modele wyposażone w termokontakt, których prędkość obrotowa nie może być regulowana |
| Un, Pn, In – parametry nominalne silnika * - poziom ciśnienia akustycznego mierzony z odległości 1 m |
| Un, Pn, In – parametry nominalne silnika Prędkość obrotowa modeli trójfazowych dwubiegowym nie może być regulowana * - poziom ciśnienia akustycznego mierzony z odległości 1 m |
| Un, Pn, In – parametry nominalne silnika Prędkość obrotowa modeli jednofazowych nie może być regulowana * - poziom ciśnienia akustycznego mierzony z odległości 1 m |
CHEMTEC 75 - 110+ typ C


* - modele 100+
CHEMTEC 75 - 110+ typ F

* - modele 100+
CHEMTEC 125-250/280

CHEMTEC 075
CHEMTEC 110
CHEMTEC 110+
CHEMTEC 125
CHEMTEC 125/140
CHEMTEC 160
CHEMTEC 160/180
CHEMTEC 200
CHEMTEC 200/225
CHEMTEC 250
CHEMTEC 250/280