CMV PRO

CMV PRO

Wentylatory chemoodporne promieniowe CMV PRO przeznaczone są do transportu medium niezapylonego zawierającego agresywne związki chemiczne,

Typowe obszary zastosowania to: dygestoria i laboratoria chemiczne, przemysł chemiczny, farmaceutyczny, spożywczy oraz obiekty użyteczności publicznej.

Opis

Konstrukcja

  • wirnik z łopatami pochylonymi do tyłu
  • wykonany z polipropylenu PPs,
  • obudowa wykonana z polipropylenu PPs,
  • podstawa pod silnik wykonana z blachy galwanizowanej, 
  • figura standardowa LG90,
  • maksymalna temperatura tłoczonego medium 
  • 70°C (wykonanie standardowe)
  • 60°C (wykonanie ATEX),
  • temperatura otoczenia silnika od -20°C do +40°C

Silnik elektryczny

  • asynchroniczny, trójfazowy, 230/400V lub 400/690, 50 Hz (w zależności od modelu)
  • stopień ochrony IP55,
  • klasa izolacji F,
  • przystosowany do regulacji częstotliwościowej (silniki trójfazowe),
  • przystosowany do regulacji napięciowej (silniki jednofazowe).

Wykonania specjalne

  • dowolna figura LG/RD,
  • wersja ATEX – patrz wentylatory przeciwwybuchowe,
  • obudowa wykonana z: PPs-el, PE, PVC, PVDF, 
  • wirnik wykonany z: PPs-el, PVDF,
  • napęd pasowy.

Dane techniczne

CMV PRO

Charakterystyki pracy

cmv pro

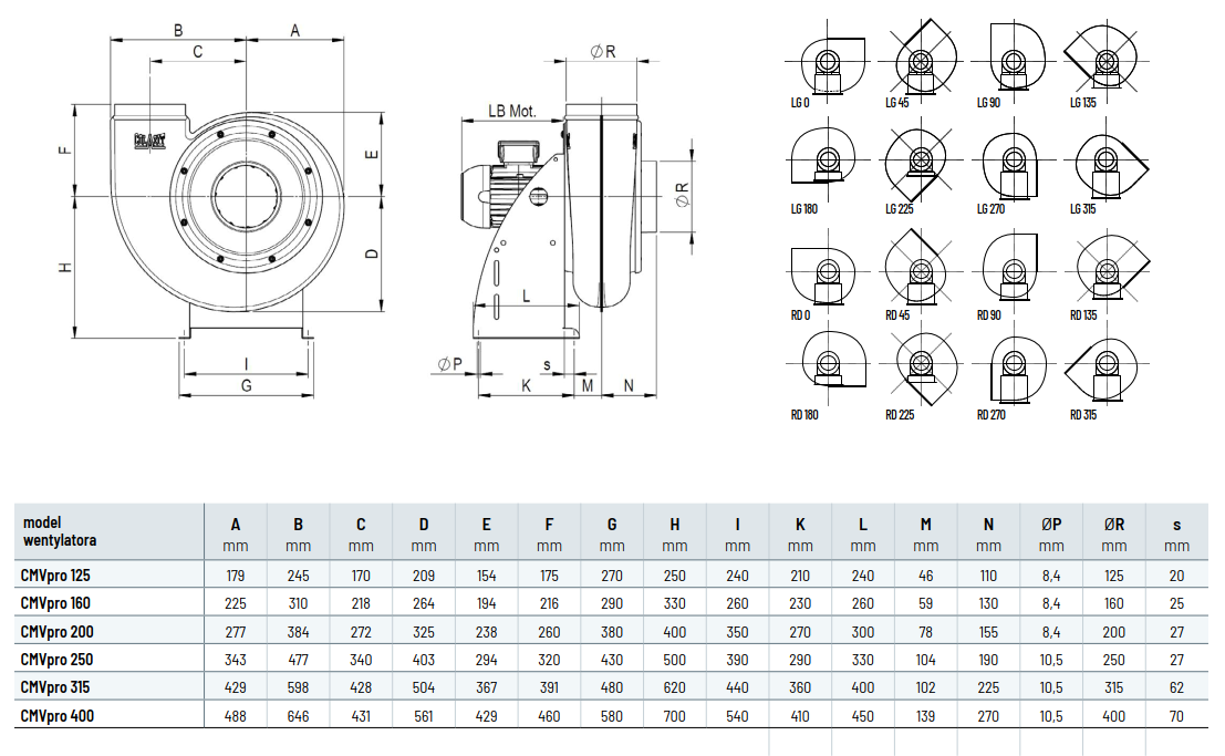
Wymiary

cmv pro

Pliki do pobrania

22 100 47 00